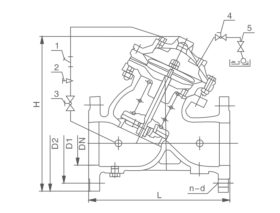
Diaphragm remote control float valve
Technical Specifications
Item model number: F745X
Nominal diameter: DN50~1200mm
Nominal pressure: PN1.0~4.0MPa
Applicable temperature: 0°C~80°C
Applicable medium: water
Sales Hotline:
Product Details
Product Description
F745X Diaphragm remote control float valve is a hydraulically operated valve with multiple functions. It is mainly installed at the water inlet of the pool or elevated water tower. When the water level reaches the set height, the main valve is controlled by the floating ball pilot valve to close the water inlet to stop water supply. When the water level drops, the main valve is controlled by the floating ball pilot valve to open the water inlet to inject water into the pool to realize automatic water replenishment. The liquid level is controlled accurately and is not disturbed by water pressure; the diaphragm type remote control float valve can be installed at any position with the height of the pool and the use space, which is convenient for maintenance, debugging and inspection, reliable sealing and long service life. Diaphragm valve has reliable performance, high strength and stable action, and is suitable for pipelines below 450 calibers.
Product Features
The liquid level is controlled accurately, the closing is tight and reliable, the main valve is sealed with a rubber sealing ring, the closing power is automatically controlled by the main valve, and the proper closing force is maintained, and the sealing life and reliability are high.
Scope Of Application
At present, hydraulic control valves are widely used in petrochemical, chemical, gas, natural gas, liquefied petroleum gas, HVAC and general industries.
Main External Connection Dimensions
| DN | 50 | 65 | 80 | 100 | 125 | 150 | 200 | 250 | 300 | 350 | 400 | 450 | 500 | 600 |
| L | 203 | 216 | 250 | 320 | 365 | 415 | 500 | 605 | 698 | 787 | 914 | 978 | 978 | 1150 |
| H | 293 | 328 | 364 | 418 | 481 | 543 | 673 | 729 | 927 | 957 | 1188 | 1218 | 1256 |
1600 |

Check the mobile website