Muffler Slow Closing Check Valve
Technical Specifications
Product model: HH49X, HDH48X, HH46X
Nominal pressure: PN1.0~2.5MPa
Nominal diameter: DN40~1000mm
Slow closing time: 3 to 60 seconds
Applicable medium: clean water, sewage, sea water
Applicable temperature: 0~80℃ (up to 200℃ if necessary)
Flange standard: GB/T 17241.6 GB/T 9113
Test standard: GB/T 13927 API 598
Sales Hotline:
Product Details
Product Features
The silencing slow-closing check valve can be used in the drainage pipes of clean water, sewage, seawater and other media, which can not only prevent the backflow of the medium, but also effectively limit the destructive water hammer and ensure the safety of the pipeline. The micro-resistance slow-closing butterfly check valve has the advantages of novel structure, small size, light weight, small fluid resistance, reliable sealing, stable opening and closing, wear resistance, long service life, oil pressure and slow closing are not affected by the medium. Good energy-saving effect and so on.
Material Of Main Parts
| Part Name | Body | Disc | Stem, cylinder, piston, spring | Seat |
| Material | Cast iron, cast steel | Carbon steel | Stainless steel | Nitrile rubber |
The Main Technical Parameters
| Model | PN | Test pressure | Proper temperature | Applicable media | Slow closing time | |
| Case | Seal | |||||
|
HH46X HDH48X HH49X |
1.0 | 1.5 | 1.1 | ≤80℃ | Clean water, sewage, sea water | ≤60s |
| 1.6 | 2.4 | 1.76 | ||||
| 2.5 | 3.75 | 2.75 | ||||
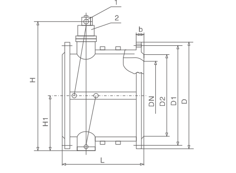
Main External Connection Dimensions
| DN | Size | DN | Size | ||||
| L | H | H1 | L | H | H1 | ||
| 40 | 140 | 200 | 88 | 350 | 290 | 480 | 297 |
| 50 | 150 | 215 | 98 | 400 | 310 | 550 | 324 |
| 65 | 170 | 225 | 108 | 450 | 330 | 585 | 351 |
| 80 | 180 | 235 | 118 | 500 | 350 | 640 | 379 |
| 100 | 190 | 280 | 130 | 600 | 390 | 720 | 434 |
| 125 | 200 | 290 | 148 | 700 | 430 | 780 | 491 |
| 150 | 210 | 310 | 172 | 800 | 470 | 840 | 549 |
| 200 | 230 | 350 | 210 | 900 | 510 | 990 | 600 |
| 250 | 250 | 415 | 240 | 1000 | 550 | 1050 | 655 |
| 300 | 270 | 450 | 264 | 1200 | 630 | 1210 | 770 |

Check the mobile website