Diaphragm Electric Remote Control Valve
Technical Specifications
Item model number: J145X
Nominal diameter: DN50~1200mm
Nominal pressure: PN1.0~4.0MPa
Applicable temperature: 0°C~80°C
Applicable medium: water
Sales Hotline:
Product Details
Product Description
The J145X diaphragm type electric remote control valve is installed on the pipelines of various water condensation systems, and the valve is opened or closed according to electrical signals or manual operation. Accurate and fast control response. The closing speed is adjustable, and the valve closes smoothly without pressure fluctuations. Three-way solenoid valve is adopted for easy maintenance.
Scope Of Application
At present, hydraulic control valves are widely used in petrochemical, chemical, gas, natural gas, liquefied petroleum gas, HVAC and general industries.
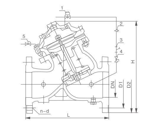
Main External Connection Dimensions
| DN | 50 | 65 | 80 | 100 | 125 | 150 | 200 | 250 | 300 | 350 | 400 | 450 | 500 | 600 |
| L | 203 | 216 | 250 | 320 | 365 | 415 | 500 | 605 | 698 | 787 | 914 | 978 | 978 | 1150 |
| H | 320 | 367 | 400 | 452 | 522 | 592 | 696 | 810 | 943 | 1200 | 1230 | 1230 | 1270 | 1600 |

Check the mobile website