Diaphragm Adjustable Pressure Reducing Regulator Valve
Technical Specifications
Product model: YX741X
Nominal diameter: DN50~1200mm
Nominal pressure: PN1.0~4.0MPa
Applicable temperature: 0°C~80°C
Applicable medium: water
Sales Hotline:
Product Details
Product Description
Diaphragm adjustable pressure reducing and regulating valve is a special valve installed on the water supply and drainage system pipeline of high-rise buildings to adjust the inlet pressure to a certain required outlet pressure. YX741X diaphragm type adjustable pressure reducing valve relies on its own energy to keep the outlet pressure stable at the set value, that is, the outlet pressure does not change due to changes in inlet pressure and flow, and a self-cleaning filter is installed at the inlet of the valve control system. Using the characteristics of the fluid, the suspended particles with larger specific gravity and larger diameter will not enter the control system, so as to ensure the smooth circulation of the system, so that the valve can operate safely and reliably. The system is sensitive in action and has a long service life.
Scope Of application
At present, hydraulic control valves are widely used in petrochemical, chemical, gas, natural gas, liquefied petroleum gas, HVAC and general industries.
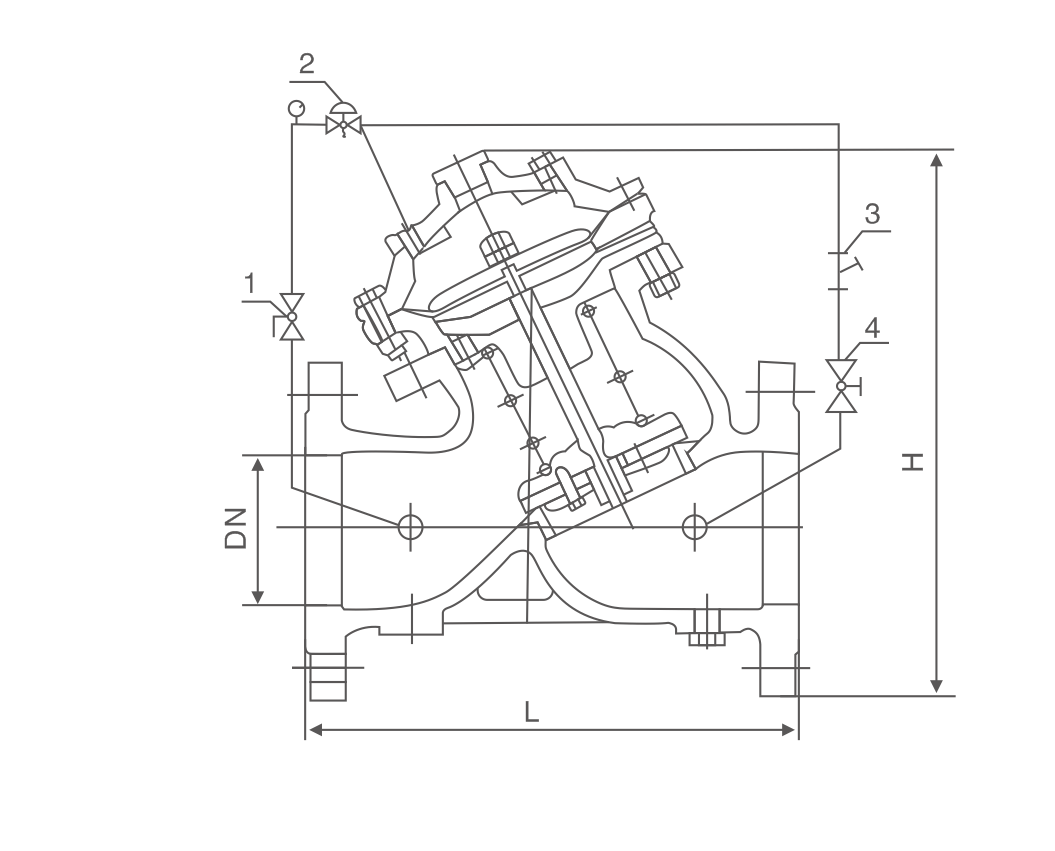
Main External Connection Dimensions
| DN | 50 | 65 | 80 | 100 | 125 | 150 | 200 | 250 | 300 | 350 | 400 | 450 | 500 | 600 |
| L | 203 | 216 | 250 | 320 | 365 | 415 | 500 | 605 | 698 | 787 | 914 | 978 | 978 | 1150 |
| H | 300 | 337 | 467 | 520 | 580 | 640 | 778 | 889 | 1010 | 1037 | 1264 | 1294 | 1324 | 1600 |

Check the mobile website