不锈钢截止阀
技术参数
产品型号:J41W
公称通径:DN15-DN400mm
公称压力:PN1.6MPa-32MPa
适用介质:水、油、气
适用温度:-20℃-425℃
阀体材质:不锈钢
销售热线:
产品详情
产品结构特征
不锈钢截止阀适用于公称压力PN1.6~16.0MPa,工作温度-46~550℃的石油、化工、制药、化肥、电力行业等各种工况的管路上,切断或接通管路介质。
其主要结构特点有
1、产品结构合理、密封可靠、性能优良、造型美观。
2、密封面堆焊Co基硬质合金,耐磨、耐蚀、抗擦伤性能好、使用寿命长。
3、阀杆经调质及表面氮化处理,有良好的抗腐性及抗擦伤性。
4、阀门设有倒密封结构,密封可靠。
5、零件材质及法兰尺寸可根据实际工况或用户要求合理选配,满足各种工程需要。
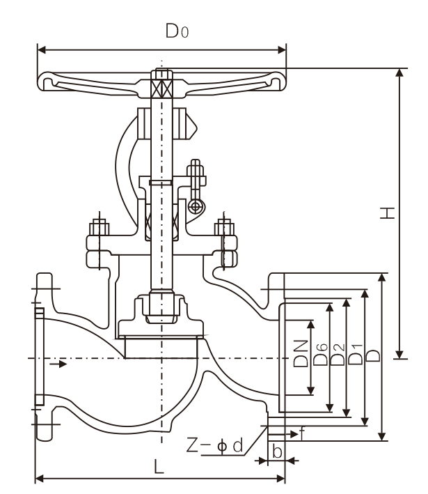
主要连接尺寸及重量(PN1.6MPa)
| 公称通径 DN | L | D | D1 | D2 | b | n-Φd | H | D0 |
| 10 | 130 | 90 | 60 | 40 | 14 | 4-Φ14 | 198 | 120 |
| 15 | 130 | 95 | 65 | 45 | 14 | 4-Φ14 | 218 | 120 |
| 20 | 150 | 105 | 75 | 55 | 14 | 4-Φ14 | 258 | 140 |
| 25 | 160 | 115 | 85 | 65 | 14 | 4-Φ14 | 275 | 140 |
| 32 | 180 | 135 | 100 | 78 | 16 | 4-Φ18 | 280 | 160 |
| 40 | 200 | 145 | 110 | 85 | 16 | 4-Φ18 | 330 | 180 |
| 50 | 230 | 160 | 125 | 100 | 16 | 4-Φ18 | 350 | 200 |
| 65 | 290 | 180 | 145 | 120 | 18 | 4-Φ18 | 370 | 280 |
| 80 | 310 | 195 | 160 | 135 | 20 | 8-Φ18 | 400 | 280 |
| 100 | 350 | 215 | 180 | 155 | 20 | 8-Φ18 | 415 | 320 |
| 125 | 400 | 245 | 210 | 185 | 22 | 8-Φ18 | 460 | 360 |
| 150 | 480 | 280 | 240 | 210 | 24 | 8-Φ23 | 510 | 450 |
| 200 | 600 | 335 | 295 | 265 | 26 | 12-Φ23 | 710 | 500 |
| 250 | 650 | 405 | 335 | 320 | 30 | 12-Φ25 | 786 | 550 |
| 300 | 750 | 460 | 410 | 375 | 30 | 12-Φ25 | 925 | 600 |

查看手机网站