• 首页 - 产品中心 - 水利工程 - 多功能控制阀系列

    隔膜式电动遥控阀

    隔膜式电动遥控阀

    技术参数

    产品型号:J145X 

    公称通径:DN50~1200mm

    公称压力:PN1.0~4.0MPa

    适用温度:0°C~80°C

    适用介质:水

    产品详情

    产品概述

    隔膜式电动遥控阀安装在各类给水、建筑、石油、化工、治金、排水、食品、电站、核电等领域的管路中,根据电信号或手动操作,使阀门打开或关闭。该阀准确快速的控制反应,关闭速度可调,阀门平稳关闭而不会产生压力波动,采用三向电磁阀,维护简单。


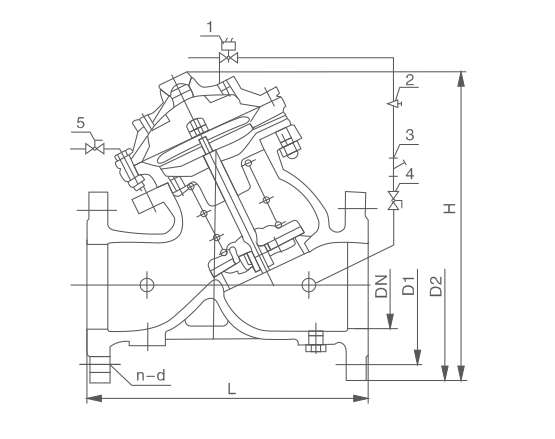
    结构示意图

    隔膜式电动遥控阀(图1)


    主要外形连接尺寸

    DN 50 65 80 100 125 150 200 250 300 350 400 450 500 600
    L 203 216 250 320 365 415 500 605 698 787 914 978 978 1150
    H 320 367 400 452 522 592 696 810 943 1200 1230 1230 1270 1600



    推荐产品