Power station high pressure swing check valve
Technical Specifications
Product model: H64H/W/Y
Nominal diameter: NPS2"~36"
Nominal pressure: Class150~2500LB
Applicable medium: water, oil, steam, etc.
Design and manufacture: ASME B16.34 E101
Construction Length: ASME B16.10 E101
Pressure Temperature: ASME B16.34 E101
Test inspection: API598 E101
Sales Hotline:
Product Details
Product Description
Both ends of the high-voltage swing check branch pipe of the power station are welded structure, and the welding groove can be made according to the standard or user requirements. It has the advantages of wear resistance, high temperature resistance, corrosion resistance, scratch resistance and long service life. It is suitable for high-temperature and high-pressure water, steam, oil and superheated steam pipelines in thermal power plants, petrochemicals, metallurgy and other high-temperature and high-pressure water, steam, oil, and superheated steam pipes with working pressure of Class 1500 to 2500 and working temperature of -29 to 570 °C, as a device to prevent medium backflow.
Product Features
1. The product is designed and manufactured according to ANSI B16.34 and E101 standards, and can be used with imported equipment.
2. The pressure self-sealing sealing structure is adopted, the sealing is reliable, and it is suitable for ultra-high pressure and high temperature conditions.
3. The sealing surfaces of the valve disc and valve seat are made of stellite cobalt-based hard alloy surfacing, which is wear-resistant, high-temperature resistant, has good scratch resistance and long service life.
4. The swing valve flap is closed by itself depending on its own weight and medium force.
5. The valve disc rotates around the pin shaft outside the valve seat to reduce the violent impact when closing.
6. The built-in pin structure reduces the external leakage point and makes the use more reliable.
Main part material
| Part Name | Material grade | |||
| Body | WCB | WC1 | WC6 | WC9 |
| Seat | A105 | 15CrMoA | 12Cr1MoVA | |
| Disc | WCB | WC1 | WC6 | WC9 |
| Rocker | WCB | WC1 | WC6 | WC9 |
| Cap | A105 | 15CrMoA | 12Cr1MoVA | |
| Seal ring | 1Cr17Ni2 | 12Cr1MoVA | ||
| Seal ring | S mild steel (reinforced flexible graphite) | S mild steel | F mild steel | |
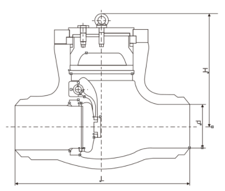
Main external connection dimensions(H64Y-1500Lb H64Y-250/P55140V)
| NPS(in) | d | L | H | WT(kg) |
| 2-1/2 | 56 | 254 | 282 | 57 |
| 3 | 64 | 325 | 300 | 57 |
| 4 | 84 | 406 | 350 | 80 |
| 5 | 100 | 483 | 425 | 115 |
| 6 | 126 | 559 | 400 | 180 |
| 8 | 158 | 711 | 490 | 270 |
| 10 | 200 | 864 | 540 | 430 |
| 12 | 250 | 991 | 650 | 630 |
| 14 | 280 | 1067 | 710 | 1400 |
(H64Y-2000Lb H64Y-320/P55170V)
| NPS(in) | d | L | H | WT(kg) |
| 2-1/2 | 50 | 330 | 240 | 40 |
| 3 | 60 | 368 | 305 | 60 |
| 4 | 80 | 457 | 315 | 95 |
| 5 | 96 | 533 | 409 | 170 |
| 6 | 118 | 610 | 465 | 186 |
| 8 | 147 | 762 | 528 | 415 |
| 10 | 180 | 914 | 613 | 658 |
| 12 | 222 | 1041 | 680 | 1200 |
| 14 | 254 | 1118 | 745 | 1638 |
(H64Y-2500Lb H64Y-420/P55250V)
| NPS(in) | d | L | H | WT(kg) |
| 3 | 54 | 368 | 297 | 44 |
| 4 | 70 | 457 | 385 | 110 |
| 5 | 86 | 533 | 410 | 130 |
| 6 | 104 | 610 | 455 | 192 |
| 8 | 130 | 762 | 557 | 466 |
| 10 | 162 | 914 | 615 | 730 |
| 12 | 210 | 1041 | 715 | 1120 |
| 14 | 234 | 1118 | 790 | 1495 |
| 16 | 264 | 1245 | 815 | 1950 |
| 18 | 304 | 1397 | 815 | 2400 |

Check the mobile website